LinkNode

介绍

LinkNode 是一款可穿戴设备原型开发板,支持BLE4.0,完全兼容mBed编程。板上集成了功能强大的器件,如nRF51822低功耗蓝牙SoC、LIS3DH超低功耗三轴线性加速度传感器、BMP180气压/温度传感器等等。同时,嵌入了一个兼容mBed下载的编程器,使得应用的开发和下载变得非常方便。

LinkNode由两个模块组成。一个是BLE4.0 的Sensors Tag模块,该模块兼容mbed,大大简化了基于ARM微控制器开发蓝牙可穿戴设备的过程和部署。在线的mBed编译器提供了丰富的例程和函数,可快速BLE应用的部署。

另一个模块是一个编程器,可替代Jlink下载器的功能,兼容ARM的mBed下载,大大简化了下载的流程。用户只需要将编译生成的文件放到系统识别的磁盘中即可完成程序下载。编程器会自动将该程序下载到Sensors TAG中,无须其他操作。

硬件规格

  • NRF51822: 蓝牙低功耗&2.4GHz 无线SoC
  • LIS3DH:超低功耗三轴加速度传感器
  • BMP180:温度气压传感器
  • mbed编程器:采用ATSAM3U2CA-AU ARM-based flash MCU
  • 8 x GPIO pins
  • 1 x UART port
  • 1 x 双色 LED
  • 2 x 用户按键
  • 1 x 蜂鸣器

器件分布以及引脚映射

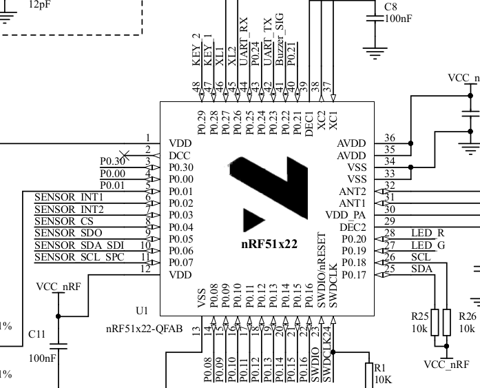
主芯片原理图

更多资料

  1. LinkNodewiki
  2. LinkNode编程器原理图
  3. LinkNode BLE Sensors Tag原理图
  4. mBed在线编译器地址
  5. nRF51822数据手册

本文档编辑比较仓促,难免存在纰漏。如果发现有任何问题,请发邮件至:

[email protected]

同时也欢迎各位爱好者共同来维护和完善此书,从而惠及到更多的开发者。